logo

Rode mechanische bedieningskabel met vorkkabelverbinding en temperatuurbereik van min 40 °C tot 80 °C geschikt voor zwaar werk

Rode mechanische bedieningskabel met vorkkabelverbinding en temperatuurbereik van min 40 °C tot 80 °C geschikt voor zwaar werk
Kenmerken Galerij Productomschrijving Verzoek om een Citaat
Kenmerken
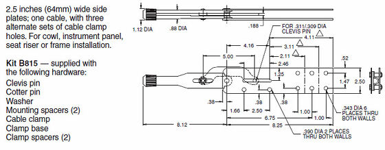
Specificaties
Features: Custom Engineered Assembly
Color: Green,Black,Red
Port: Shanghai
Inner Cable: Multi-strand High-tensile Steel
Package: Wood Case / Carton / Bubble Film
Bus Model: China
Materia: As Per Requirements
Innermember: Nylon-covered Stainless Steel
Markeren:

Rode mechanische bedieningskabel met vorkverbinding

,

Elektrische toestellen voor elektrische installaties

,

Temperatuurbestendige mechanische bedieningskabel

Basis informatie
Merknaam: PHIDIX
Model Number: Mechanical Control Cable
Betalen & Verzenden Algemene voorwaarden
Productomschrijving

Productbeschrijving:

De Mechanische Stuurschacht is een zeer betrouwbare en veelzijdige oplossing die is ontworpen voor een breed scala aan industriële en commerciële toepassingen. Deze kabel is met precisie en duurzaamheid ontworpen en biedt uitzonderlijke prestaties, zelfs in uitdagende omgevingen. Met een typisch temperatuurbereik van -65°F tot 230°F zorgt hij voor consistente werking bij zowel extreme kou als hoge temperaturen, waardoor hij ideaal is voor gebruik in diverse klimaten en veeleisende situaties.

Een van de opvallende kenmerken van deze Mechanische Stuurschacht is de op maat gemaakte assemblage. Elke kabel wordt zorgvuldig vervaardigd om aan specifieke eisen te voldoen, waardoor op maat gemaakte oplossingen mogelijk zijn die unieke operationele behoeften aanpakken. Of u nu een bepaalde lengte, sterkte of configuratie nodig heeft, deze kabel kan op maat worden ontworpen om optimale functionaliteit en efficiëntie te bieden. Deze op maat gemaakte aanpak zorgt ervoor dat de kabel feilloos presteert in de beoogde toepassing, waardoor stilstand wordt geminimaliseerd en de algehele systeem betrouwbaarheid wordt verbeterd.

Het binnenste deel van de kabel is gemaakt van met nylon bekleed roestvrij staal, dat de sterkte en corrosiebestendigheid van roestvrij staal combineert met de beschermende eigenschappen van nylon. Dit ontwerp biedt superieure duurzaamheid, flexibiliteit en weerstand tegen slijtage en schuren. De nylon bekleding beschermt de roestvrijstalen kern niet alleen tegen milieuschade, maar vermindert ook de wrijving, wat zorgt voor soepele en efficiënte mechanische beweging. Dit maakt de kabel bijzonder geschikt voor toepassingen die frequente of continue beweging vereisen, zoals in mechanische trekstangkabelsystemen.

Kleurcodering is een ander belangrijk kenmerk van deze Mechanische Stuurschacht, verkrijgbaar in groen, zwart en rood. Deze kleuropties helpen bij eenvoudige identificatie en organisatie binnen complexe mechanische systemen, waardoor installatiefouten worden verminderd en onderhoudsprocessen worden vereenvoudigd. De levendige en duurzame kleuren behouden hun uiterlijk in de loop van de tijd, zelfs wanneer ze worden blootgesteld aan harde omgevingsfactoren, wat zorgt voor langdurige visuele duidelijkheid.

Vervaardigd volgens de Bus Model-normen in China, voldoet deze Mechanische Stuurschacht aan strenge kwaliteitscontrolemaatregelen en industriële benchmarks. De toewijding aan kwaliteit zorgt ervoor dat elke kabel consistente prestaties, betrouwbaarheid en veiligheid levert. Klanten kunnen erop vertrouwen dat hun investering in dit product blijvende waarde zal bieden en zal voldoen aan of de operationele verwachtingen zal overtreffen.

Ontworpen als een mechanische trekstangkabel, blinkt dit product uit in het overbrengen van mechanische kracht over een afstand, waardoor het een essentieel onderdeel is in diverse besturingsmechanismen. Of het nu wordt gebruikt in de automobielindustrie, industriële machines, maritieme apparatuur of andere mechanische systemen, de Mechanische Stuurschacht biedt precieze controle en responsiviteit. De robuuste constructie en op maat gemaakte engineering maken het aanpasbaar aan een breed scala aan toepassingen, waardoor de algehele efficiëntie en effectiviteit van mechanische bewerkingen worden verbeterd.

Samenvattend onderscheidt de Mechanische Stuurschacht zich als een premium keuze voor iedereen die een duurzame, betrouwbare en aanpasbare stuurschacht nodig heeft. De brede temperatuurtolerantie, op maat gemaakte assemblage, met nylon beklede roestvrijstalen binnenkabel en levendige kleuropties maken het een veelzijdige en betrouwbare oplossing. Vervaardigd volgens hoge normen onder het Bus Model in China, is deze kabel ontworpen om uitstekende prestaties te leveren in diverse veeleisende omgevingen. Of het nu wordt gebruikt als mechanische trekstangkabel of in andere besturingstoepassingen, het biedt de sterkte, flexibiliteit en precisie die nodig zijn om mechanische besturingssystemen effectief te optimaliseren.


Kenmerken:

  • Productnaam: Mechanische Stuurschacht
  • Geschikt voor Mechanische Trekregelingstoepassingen
  • Pakketopties: Houten Kist, Karton, Luchtkussenfolie
  • Beschikbare kabelverbindingstypes: Kogelgewricht, Vork, Stanguiteinde, etc.
  • Binnenste deel geconstrueerd met met nylon bekleed roestvrij staal voor duurzaamheid
  • Beschikbare kleuren: Groen, Zwart, Rood
  • Verzendhaven: Shanghai
  • Hoogwaardige Mechanische Stuurschacht ontworpen voor betrouwbare prestaties

Technische Parameters:

Haven Shanghai
OEM Ja
Binnenkabel Meerstrengs Hoogwaardig Staal
Kenmerken Op Maat Gemaakte Assemblage
Temperatuurbereik -40°C Tot 80°C
Typisch Temperatuurbereik -65°F — 230°F
Kabelverbinding Kogelgewricht, Vork, Stanguiteinde, etc.
Pakket Houten Kist / Karton / Luchtkussenfolie
Grootte OEM Standaard Maat Of Op Maat Gemaakt
Geïnstalleerde Buigradius Tot 5"

Toepassingen:

De PHIDIX Mechanische Stuurschacht is een veelzijdige en betrouwbare oplossing die is ontworpen om te voldoen aan de eisen van diverse mechanische besturingstoepassingen. Ontworpen met een meerstrengs hoogwaardige stalen binnenkabel, zorgt deze kabel voor uitzonderlijke sterkte en duurzaamheid, waardoor hij ideaal is voor precieze en consistente Mechanische Trekregeling. Verkrijgbaar in OEM standaardmaten of op maat gemaakte configuraties, kan de PHIDIX Mechanische Stuurschacht worden aangepast aan specifieke eisen, wat flexibiliteit biedt voor een breed scala aan toepassingen.

Een van de opvallende kenmerken van de PHIDIX Mechanische Stuurschacht is het vermogen om efficiënt te werken binnen een typisch temperatuurbereik van -65°F tot 230°F. Deze indrukwekkende thermische tolerantie stelt hem in staat om betrouwbaar te presteren in extreme omgevingen, van koude buitenomstandigheden tot industriële omgevingen met hoge temperaturen. De robuuste constructie van de kabel wordt aangevuld met een selectie van kabelverbindingen, waaronder kogelgewricht-, vork- en stanguiteinde-opties, waardoor veilige en aanpasbare bevestigingsmethoden mogelijk zijn die geschikt zijn voor diverse mechanische systemen.

Verkrijgbaar in levendige kleuren zoals groen, zwart en rood, biedt de PHIDIX Mechanische Stuurschacht niet alleen functionele voordelen, maar verbetert ook de visuele identificatie en veiligheid tijdens installatie en onderhoud. De toepassingsgelegenheden bestrijken tal van industrieën, waaronder de automobiel-, luchtvaart-, maritieme en industriële machines, waar precieze Mechanische Touwregeling cruciaal is. Of het nu gaat om het regelen van het gaspedal, de remmen of andere mechanische koppelingen, deze kabel levert soepele en responsieve prestaties.

De PHIDIX Mechanische Touwregelkabel blinkt uit in scenario's die betrouwbare en nauwkeurige mechanische actuatie vereisen. Het wordt vaak gebruikt in zware apparatuur, landbouwmachines en aangepaste voertuigconstructies, waar robuuste Mechanische Touwregeling oplossingen essentieel zijn voor operationele efficiëntie en veiligheid. Bovendien maken de aanpasbare grootte en verbindingsopties het geschikt voor innovatieve engineeringprojecten en retrofit-toepassingen.

Samenvattend onderscheidt de PHIDIX Mechanische Stuurschacht zich als een hoogwaardige keuze voor Mechanische Trekregeling en Mechanische Touwregeling behoeften. De combinatie van duurzame materialen, brede temperatuurtolerantie, aanpasbare fittingen en een reeks kleuropties maken het een onmisbaar onderdeel in diverse veeleisende scenario's, wat zorgt voor betrouwbare mechanische controle onder diverse bedrijfsomstandigheden.


Maatwerk:

Bij PHIDIX bieden we uitgebreide productaanpassingsservices voor onze Mechanische Stuurschacht, ontworpen om aan uw specifieke behoeften te voldoen. Onze Mechanische Trekstangkabel oplossingen omvatten diverse kabelverbinding opties zoals Kogelgewricht, Vork, Stanguiteinde en meer, wat compatibiliteit en installatiegemak garandeert.

We leveren de Mechanische Trekregelkabel in OEM Standaard Maat of op maat gemaakte afmetingen om perfect in uw toepassing te passen. Elke Mechanische Trekstangkabel is een op maat gemaakte assemblage, vervaardigd met materialen geselecteerd volgens uw vereisten om duurzaamheid en prestaties te garanderen.

Onze Mechanische Stuurschacht is gebouwd om een typisch temperatuurbereik van -65°F tot 230°F te weerstaan, waardoor hij geschikt is voor diverse operationele omgevingen. Vertrouw op PHIDIX voor betrouwbare, hoogwaardige Mechanische Trekstangkabel aanpassing, afgestemd op uw exacte specificaties.


Ondersteuning en Diensten:

Onze Mechanische Stuurschakels zijn ontworpen om nauwkeurige en betrouwbare controle te bieden voor een breed scala aan mechanische systemen. Om optimale prestaties en een lange levensduur van uw stuurschakels te garanderen, volgt u de installatie- en onderhoudsrichtlijnen in de producthandleiding.

Zorg bij installatie ervoor dat de kabelgeleiding vrij is van scherpe bochten en knikken, en dat de kabel indien nodig goed is gesmeerd. Vermijd blootstelling aan corrosieve omgevingen, tenzij de kabel hiervoor is gespecificeerd.

Regelmatige inspectie van de kabel op tekenen van slijtage, corrosie of schade wordt aanbevolen. Vervang de kabel onmiddellijk als er defecten worden gevonden om storingen tijdens bedrijf te voorkomen.

Ons technisch ondersteuningsteam staat klaar om te helpen met probleemoplossing, installatieadvies en productspecificaties om u te helpen de juiste kabel voor uw toepassing te kiezen.

We bieden ook op maat gemaakte kabeloplossingen en reparatiediensten om aan uw specifieke mechanische besturingsvereisten te voldoen.

Raadpleeg de gedetailleerde productdocumentatie en veiligheidsinstructies voor gebruik om een veilige en effectieve werking van de mechanische stuurschakels te garanderen.


Veelgestelde Vragen:

V1: Voor welke toepassingen is de PHIDIX Mechanische Stuurschacht geschikt?

A1: De PHIDIX Mechanische Stuurschacht is ideaal voor diverse toepassingen, waaronder de automobielindustrie, maritieme sector, industriële machines en landbouwmachines waar precieze mechanische controle vereist is.

V2: Welke materialen worden gebruikt bij de constructie van de PHIDIX Mechanische Stuurschacht?

A2: De PHIDIX Mechanische Stuurschacht is voorzien van hoogwaardige stalen draadkernen met duurzame buitenmantels van corrosiebestendige materialen om een lange levensduur en betrouwbare prestaties te garanderen.

V3: Hoe bepaal ik de juiste lengte van de PHIDIX Mechanische Stuurschacht voor mijn toepassing?

A3: Om de juiste kabellengte te bepalen, meet u de totale afstand tussen de bedieningshendel en het bediende onderdeel, inclusief eventuele bochten of geleidingspaden. PHIDIX biedt ook opties voor aangepaste lengtes voor specifieke vereisten.

V4: Is de PHIDIX Mechanische Stuurschacht eenvoudig te installeren?

A4: Ja, de PHIDIX Mechanische Stuurschacht is ontworpen voor eenvoudige installatie met standaard fittingen die compatibel zijn met de meeste besturingssystemen. Installatie-instructies worden verstrekt om te helpen bij een correcte installatie.

V5: Kan de PHIDIX Mechanische Stuurschacht efficiënt werken in zware omstandigheden?

A5: Absoluut. De PHIDIX Mechanische Stuurschacht is ontworpen om zware omgevingsomstandigheden zoals vocht, stof en temperatuurschommelingen te weerstaan, waardoor hij geschikt is voor veeleisende industriële en buitentoepassingen.


Geadviseerde Producten
Neem contact op met ons
Contactpersoon : Ms. lisa
Tel. : 13816744282
Fax : 86-021-37214610
Resterend aantal tekens(20/3000)